Welcome to Urja Consulting Engineers
For EPC businesses, solar developers, tender bidders, and industrial clients, Urja Consulting Engineers offers expert solar design services. We assist you in creating effective, economical, and high-performing solar power systems, ranging from modest rooftop projects to massive utility-scale solar plants, thanks to our more than 3000 MW of solar design experience.
India’s Best Solar Design Company for EPC & Utility-Scale Projects
At Urja Consulting Engineers, we are a specialized solar design consultancy with a proven track record of 3000+ MW in solar power system design across India and international markets. Our expert team supports EPC companies, solar developers, and commercial-industrial clients with precision-engineered, site-specific, and cost-optimized solar layouts.
With deep expertise in PV design tools like AutoCAD, PVSyst, STAAD Pro, and Helioscope, we ensure each project meets technical, structural, and financial excellence helping you execute faster, win tenders, and maximize ROI.
Harin Desai – Co-Founder
Senil Ramani – Co-Founder
- Design-First Solar Experts
- Global-Standard Services
- Partner to 200+ EPCs
Expert Solar Design Services for Rooftop & Utility-Scale Projects
We specialize in professional solar engineering services that support EPC companies, solar developers, and tender participants across India and globally. With 3000+ MW of design experience, we deliver accurate, fast, and optimized layouts for every project typefrom small rooftop systems to large MW-scale plants.
Our team blends top-tier software (PVSyst, SketchUp, AutoCAD, STAAD Pro) with in-house automation to offer cost-saving, site-specific designs that reduce project delays and improve performance.
Pre-Sales Solar Design Engineering
Optimized solar PV system layouts and shadow analysis that help EPC companies and developers win projects with confidence.
Tender Estimation & BOQ Services
Accurate solar project cost estimation, BOQs, and yield projections tailored for government and private tenders.
Post-Sales Solar Design Support
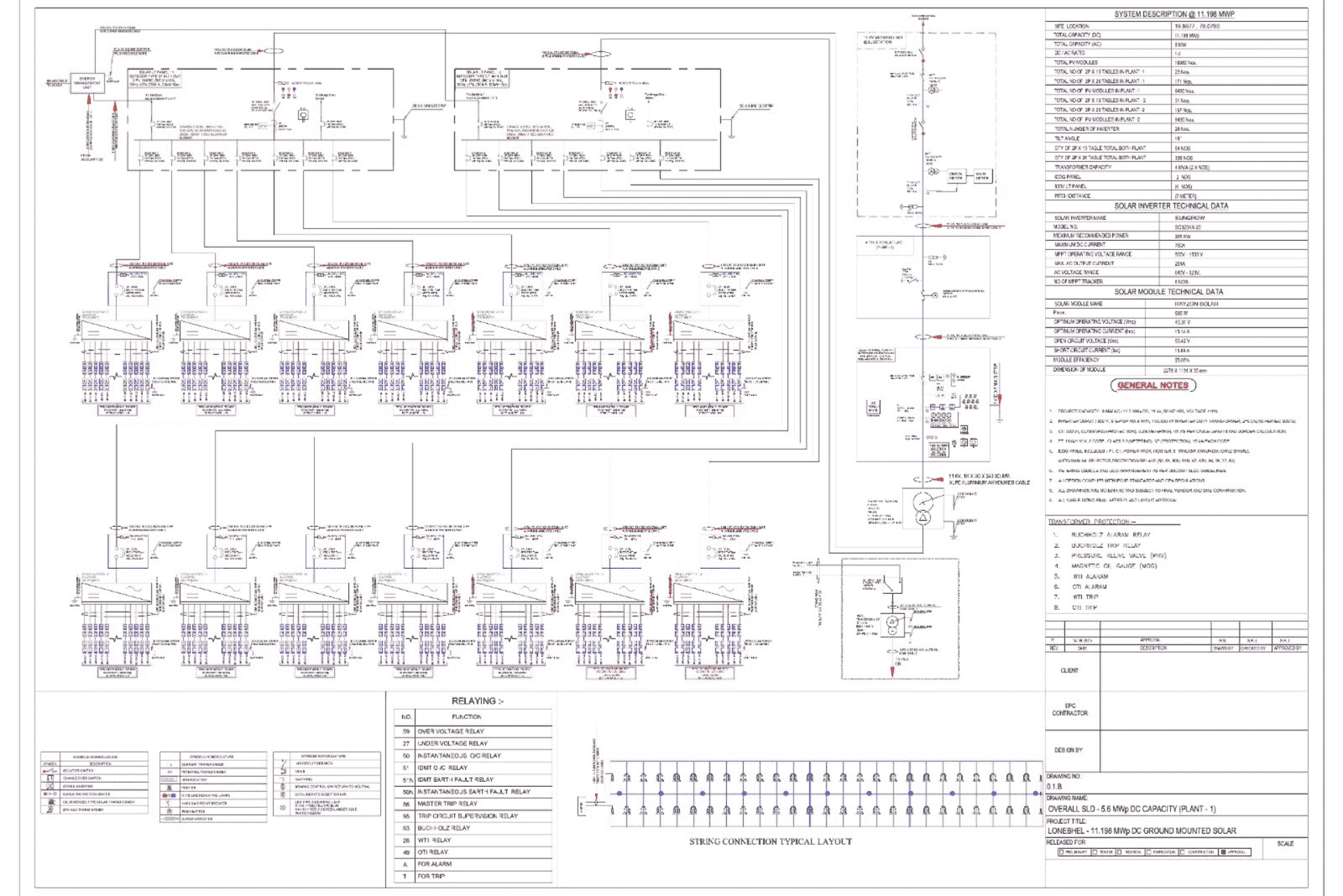
From AC/DC SLDs to wiring schematics, we offer complete post-sales documentation for smooth project execution.
Detailed Engineering for Solar Projects
Full-scope solar engineering drawings, cable schedules, and compliance-ready documentation for MW-scale projects.
Civil & Structural Design for Solar Plants
Wind load analysis and STAAD Pro-based structural design for rooftops, ground mounts, and elevated solar structures.
Solar Project Feasibility Reports
Bankable reports with PVSyst simulations, ROI studies, and IRR calculations that help clients assess project viability.
Our Specialized Solar Design Services
-
PV Layouts (2D & 3D)
Site-specific rooftop and ground-mounted PV layouts designed to minimize shading and enhance energy generation.
-
Shadow Analysis (Helioscope)
Detailed 3D shadow analysis using Helioscope to ensure maximum solar exposure and system efficiency.
-
PVSyst Energy Simulation
Bankable energy simulation reports with accurate yield forecasts and performance ratio insights using PVSyst.
-
Structural Design (STAAD-based)
STAAD Pro-based structural design including wind load calculations and MMS structure validation for rooftop and ground-mount systems.
-
Electrical SLDs & Cable Sizing
Comprehensive AC/DC single line diagrams, load flow planning, and optimized cable sizing for safe and cost-effective execution.
-
BOQ & Tender Documentation
Detailed and compliant Bill of Quantities with all technical documentation required for solar project bidding and execution.
-
EPC Design Retainers
Flexible monthly support plans for EPCs offering continuous solar design, fast delivery, and unlimited revisions.
Why Solar EPCs Trust Urja Consulting Engineers
We are more than just a solar design agency, we are your project execution partners. With over 3000+ MW of solar design experience, Urja Consulting Engineers empowers EPC companies, developers, and tender participants across India and abroad to win bids, reduce costs, and accelerate project timelines.
Our solar engineering services are optimized for accuracy, efficiency, and site-specific results, helping you deliver performance with confidence.
End-to-End Design Expertise
From concept to compliance, we provide everything under one roof including PV layouts, PVSyst reports, BOQs, and STAAD Pro-based structural design.
Fast Turnaround with QC
We deliver within 1–10 working days, backed by a two-level quality check by experienced senior engineers for zero compromise.
Site-Specific Optimization
We don’t use generic templates; every design is customized to your site conditions, reducing shading, improving energy yield, and saving cost per MW.
Post-Delivery Support
Get 30 days of free support post-delivery for clarifications, coordination, and technical assistance we're here even after the files are delivered.
Commercial & Industrial Solar (C&I)
We design rooftop and ground-mounted solar systems for factories, warehouses, and commercial complexes, optimizing layouts for ROI and compliance.
Utility-Scale Solar Projects
From 1 MW to 50 MW+ plants, we support large-scale solar farms with complete DC/AC design packs, energy yield analysis, and civil + structural design support.
International Solar Markets
We assist EPCs and solar developers in UAE, Saudi Arabia, Africa, and more with design documentation that meets both global standards and local regulations.
Industries We Power With Precision
Our Solar Success Stories
Every project at Urja Consulting Engineers is a tale of clever design, client confidence, and solar brilliance. Our portfolio features actual case studies where our technical know-how and meticulous design have produced significant outcomes, ranging from megawatts to rooftops.
We engineer solutions that reduce costs, improve performance, and bolster project bids in the Indian and international solar markets. We do more than just design systems.
Our 4-Step Solar Design Process
At Urja Consulting Engineers, we support a methodical but adaptable approach that guarantees accuracy, speed, and clarity. Our streamlined method ensures fast delivery and high-quality design outcomes, regardless of whether you’re an EPC business, developer, or consultant.
01
Requirement & Scope Finalization
We collect your project details (site data, capacity, specs) and define the scope, deliverables, and timelines.
02
Design Kickoff
Once confirmed, our expert engineering team starts the design process using tools like AutoCAD, Helioscope, STAAD Pro, and PVSyst.
03
Delivery & Revisions
You receive the first draft of the design. We offer up to 3 revisions to ensure everything aligns with your execution and compliance needs.
04
Post-Delivery Support
For 30 days after delivery, we’re available for clarifications, adjustments, and coordination support via call, WhatsApp, or email.
Tools & Software That Power Our Designs
Urja Consulting Engineers provides precise, legal, and economical solar design solutions by combining industry-leading instruments and automation systems. Every layout, simulation, and computation is dependable and prepared for execution thanks to our software stack.









If you have any questions
Feel free to contact +919737046110
Verified Quality, Certified Excellence
Quality is a key value of Urja Consulting Engineers, not just a checkbox. Our procedures and products adhere to both national and international standards, guaranteeing that each design satisfies the requirements of developers, tendering authorities, and EPCs.
What Our Clients Say About Us
Better response and fast service and fully technical support
RAMDEV ELECTRICVery good quality and timely delivery of product also good product of compact substation and dry transformer
Rishabh Technologies Pvt. Ltd.Very good experience in design work He guides very well in technical field. Best consultant in solar and electrical field.
Bhavin RamaniVery nice company and good consulting for all projects
vishal sorathiyaBest service and solutions
ECORAYS ENERGY SOLUTIONSDownloadable Resources & Guides with Lead magnetic CTA
Keep Up with the Most Recent Developments in Solar Design
Get professional solar advice, compliance updates, tool hacks, and project insights delivered directly to your inbox and WhatsApp by joining the 2,000+ EPCs, consultants, and developers.
Best consultant in solar and electrical field.All design work is unique and Cost cutting in project
Rakesh